32000-sarja
Koti >> Luettelo >> Kartiomainen rullalaakeri >> Metriset koot kartiomaiset rullalaakerit >> 32000-sarja
ladata
Ota meihin yhteyttä
Jakaa
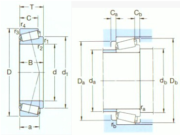
Kartiorullalaakereissa on kapenevat sisä- ja ulkokiskot ja rullat samanaikaisten säteittäisten ja työntövoimien käsittelemiseksi. Niiden aksiaalinen kantokyky riippuu suoraan telojen ja kulkutien akselin kosketuskulmasta.
Niitä on saatavana yksirivisenä, kaksirivisenä ja nelirivisenä. Kartiorullalaakereiden yksittäisiä osia myydään yleensä erikseen kupina ja kartioina. Kartiot sisältävät rullakokoonpanon ja sisärenkaan, kun taas kupit sisältävät ulkorenkaan. Kokoonpanoyksiköt sisältävät sekä kupin että kartion. Erotettavina laakereina on saatavana erilaisia malleja ja kokoja erilaisiin sovelluksiin.
>>
<<
>>
<<

