SPHSB..EC-sarja
  • SPHSB..EC-sarja
  • SPHSB..EC-sarja
>>
<<
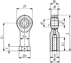
ValitseTiedusteluTuotenumeroMassa (kg)Rajamitat mm (tuumaa)
dThread S class 3BDBB1d1LlL1L2WD1D2rs minPallon halkaisija mm (tuumaa)
SPHSB2 6.8 3,175 (.1250) -32UNC (.1380) 11,91 (.469) 4,75 (.187) 6,35 (.250) 4,75 (.187) 26.57 (1.046) 4,75 (.187) 20.62 ( .812) 9,53 (0,375) 6,35 (.250) 6,35 (.250) 7,92 (.312) 0,3 (.012) 7,938 (5/16)
SPHSB2.5 11 3,967 (.1562) -32UNC (.1640) 14.27 ( .562) 5,56 (.219) 7,14 (.281) 6,32 (.249) 29.36 (1.156) 4,75 (.187) 22,23 (.875) 9,53 (0,375) 7,14 (.281) 7,14 (.281) 8,74 (0,344) 0,3 (.012) 9,525 (3/8)
SPHSB3 14 4,826 (.1900) -32UNF (.1900) 15,88 (.625) 6,35 (.250) 7,92 (.312) 7,77 (.306) 34.93 (1.375) 4,75 (.187) 26.97 (1.062) 14.27 ( .562) 7,92 (.312) 7,92 (.312) 10,31 (.406) 0,3 (.012) 11.112 (7/16)
SPHSB4 23 6,350 (.2500) -28UNF (.2500) 19.05 (.750) 7,14 (.281) 9,53 (0,375) 9.02 (.355) 42.85 (1.687) 4,75 (.187) 33.32 (1.312) 19.05 (.750) 9,53 (0,375) 9,53 (0,375) 11.89 ( .468) 0,5 (.020) 13,097 (33/64)
SPHSB5 36 7,938 (.3125) -24UNF (.3125) 22,23 (.875) 8,74 (0,344) 11.10 (.437) 11.35 (.447) 46.02 (1.812) 4,75 (.187) 34.93 (1.375) 19.05 (.750) 11.10 (.437) 11.10 (.437) 12,70 (.500) 0,5 (.020) 15,875 (5/8)
SPHSB6 59 9.525 ( .3750) -24UNF ( .3750) 25.40 (1.000) 10,31 (.406) 12,70 (.500) 13.13 ( .517) 53.98 (2.125) 6,35 (.250) 41.28 (1.625) 23,80 (.937) 14.27 ( .562) 14.27 ( .562) 17.45 ( .687) 0,5 (.020) 18.256 ( 23/ 32)
SPHSB7 82 11.112 ( .4375) -20UNF ( .4375) 28.58 (1.125) 11.10 (.437) 14.27 ( .562) 14.88 ( .586) 60.33 (2.375) 6,35 (.250) 46.02 (1.812) 26.97 (1.062) 15,88 (.625) 15,88 (.625) 19.05 (.750) 0,5 (.020) 20.638 ( 13/16)
SPHSB8 132 12.700 ( .5000) -20UNF ( .5000) 33.32 (1.312) 12,70 (.500) 15,88 (.625) 17.73 ( .698) 70.64 (2.781) 6,35 (.250) 53.98 (2.125) 30.15 (1.187) 19.05 (.750) 19.05 (.750) 22,23 (.875) 0,5 (.020) 23.812 ( 15/16)
SPHSB10 191 15.875 ( .6250) -18UNF ( .6250) 38.10 (1.500) 14.27 ( .562) 19.05 (.750) 21.31 (.839) 82.55 (3.250) 7,92 (.312) 6,350 (.2500) 38.10 (1.500) 22,23 (.875) 22,23 (.875) 25.40 (1.000) 0,5 (.020) 28.575 (1 1/ 8)
SPHSB12 286 19.050 ( .7500) -16UNF ( .7500) 44.45 (1.750) 17.45 ( .687) 22,23 (.875) 24.84 ( .978) 95.25 (3.750) 7,92 (.312) 73.03 (2.875) 44.45 (1.750) 25.40 (1.000) 25.40 (1.000) 28.58 (1.125) 0,5 (.020) 33.338 (1 5/16)
SPHSB16 998 25.400 (1.0000) -12UNF (1.2500) 69.85 (2.750) 25.40 (1.000) 34.93 (1.375) 32.23 (1.269) 139.70 (5.500) 11.07 ( .436) 104.78 (4.125) 53.98 (2.125) 38.10 (1.500) 38.10 (1.500) 44.45 (1.750) 0,5 (.020) 47.625 (1 7/ 8)
>>
<<